NMVOC
船用非甲烷总烃测量系统

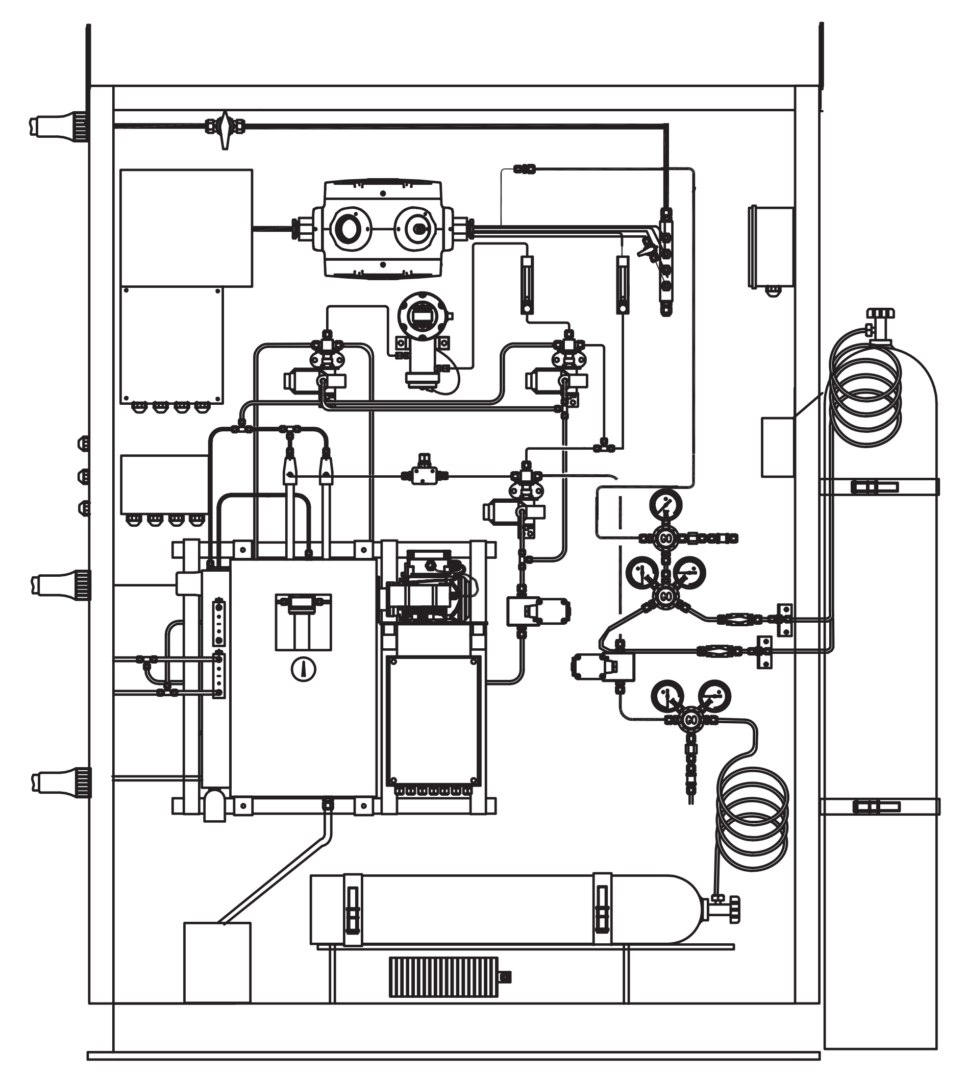
船用非甲烷总烃测量系统设计是基于气体体积的量化再将样品气送至我们的分析系统进行进一步样本处理之前。 通过测量流量、压力,温度,然后分析气体成分,我们就会得出最准确的NMVOC排放测量结果 主要系统单元包括: 》 碳钢取样管教配置气体取样探头及超声波流量监测装置 》 分析仪系统含样品预处理单元和紧凑型现场安装的气相色谱仪并置于SS316L不锈钢机柜内 》 数据处理和通信计算单元 》 用于远程操作维护的工控计算机

填表联系我们
产品概述


船用非甲烷总烃测量系统设计是基于气体体积的量化再将样品气送至我们的分析系统进行进一步样本处理之前。
通过测量流量、压力,温度,然后分析气体成分,我们就会得出最准确的NMVOC排放测量结果
主要系统单元包括:
》 碳钢取样管教配置气体取样探头及超声波流量监测装置
》 分析仪系统含样品预处理单元和紧凑型现场安装的气相色谱仪并置于SS316L不锈钢机柜内
》 数据处理和通信计算单元
》 用于远程操作维护的工控计算机



技术参数

氮和氧 0~100
二氧化碳 0~15
甲烷 0~20
乙烷 0~20
丙烷 0~30
异丁烷 0~30
正丁烷 0~30
异戊烷 0~10
正戊烷 0~10
己烷 +[0~5](包括C9以下的烃)
循环时间 2至3分钟


产品特点

》 安装在Ex1区

· 带所有必要法兰和喷嘴的管段,用于:1.超声波流量计;2.温度和压力变送器;3.分析仪系统的样品取材探针

· 伴热式处理样品管线(将样品从短管段运输到分析仪柜)

· 专用自动分析仪系统机柜,包括:1.样品传递系统;2.流量指示器,带报警限值;3.用于惰性气体和VOC混合物组分分析的紧凑型气相色谱仪;4.氧气分析仪,防止O2泄漏到惰性系统;5.所有必要的公用气体、载气和校准气体;6.接口和信号变换器


》 已安装在安全区域

· 数据处理计算单元

· 远程操作员和维护接口单元

· 与船舶网络(技术局域网)的系统连接



行业应用

》 船舶和造船



相关证书


填写下面表单联系我们
* 您提交的信息请确保填写真实,以便我们再48小时内联系您